Số lượng
Hệ thống thiết bị xử lý nước thải xi mạ, bề mặt kim loại là hệ thống loại bỏ đi những kim loại nặng, hóa chất có trên bề mặt kim loại trong công tác rửa, mạ, xi, các hoạt động khác liên quan đến xử lý kim loại. Hãy cùng Đại Dương Xanh tìm hiểu thêm về hệ thống xử lý nước thải xi mạ nhé!
- Hệ thống là dây chuyền xử lý bề mặt, mạ tương đối đa dạng, nhiều chủng loại.
- Nước thải phát sinh chủ yếu là kim loại nặng.
- Nước thải công nghiệp hoạt động đa dạng theo ngày và theo yêu cầu nên nguồn phát sinh thải rất phức tạp.
- Nhân viên vận hành hệ thống được đào tạo bài bản 30 ngày hỗ trợ online.
| Hạng mục | Khoảng giá trị đầu tư |
| Hệ thống xử lý nước thải xi mạ công nghiệp - mạ Cr-Ni-Cu-Zn-CN | 1500 - 1800 triệu (tùy thuộc vào xuất xứ thiết bị, chủng loại thiết bị) |
| Công suất: 150 m3/ngày | |
| Chất lượng: cột B QCVN 40:2011/BTNTM | |
| Thời gian thi công: 40 - 60 ngày (đạt B) | |
| Thiết bị xuất xứ: G7/EU/Đài Loan |
.png)
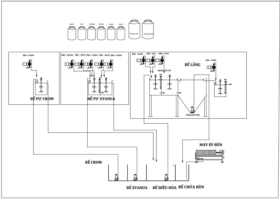
Sơ đồ công nghệ hệ thống thiết bị xử lý nước thải xi mạ bề mặt
.jpg)
Hệ thống xử lý nước thải xi mạ thực tế
.jpg)
Trên đây là toàn bộ những thông tin về hệ thống xử lý nước thải hữu ích mà chúng tôi muốn mang tới cho bạn. Nếu gặp bất cứ vấn đề gì liên quan đến việc xử lý nước thải hãy liên hệ ngay với Đại Dương Xanh để nhận được sự hỗ trợ tốt nhất nhé!
Công ty TNHH Công nghệ Môi Trường Đại Dương Xanh
Địa chỉ: Số 9 ngách 3 ngõ 104 Định Công - Ngách ô tô Tải
Hotline: 02435642977 - Zalo: 0983144283